Свяжитесь с нами
Наша компания предоставляет полный комплекс услуг по разработке проектов КМ (конструкции металлические) и КМД (конструкции металлические деталировочные), изготовлению, монтажу и теплоизоляции баков-аккумуляторов горячей воды различной вместимости. Мы обеспечиваем выполнение всех этапов работ на высоком профессиональном уровне с соблюдением современных технических требований и нормативов.
Баки-аккумуляторы горячей воды (БАГВ) представляют собой специализированные стальные резервуары, предназначенные для накопления и хранения горячей воды с температурой до 95°С в системах централизованного теплоснабжения. Эти инженерные сооружения играют ключевую роль в выравнивании нагрузок горячего водоснабжения, обеспечивая стабильное и эффективное функционирование тепловых систем промышленных предприятий, жилых комплексов, тепличных хозяйств и других объектов.

Баки-аккумуляторы горячей воды выполняют функцию буферного накопителя в системах горячего водоснабжения, устанавливаясь между установками по приготовлению горячей воды и потребителями. Основное назначение БАГВ заключается в создании необходимого запаса горячей воды для компенсации пиковых нагрузок и обеспечения непрерывности водоснабжения. Принцип работы основан на аккумулировании тепловой энергии в больших объемах воды, что позволяет сглаживать неравномерность потребления и повышать общую эффективность системы теплоснабжения.
По конструктивному исполнению баки-аккумуляторы имеют цилиндрическую форму и устанавливаются преимущественно вертикально. Вместимость современных БАГВ, эксплуатируемых на энергопредприятиях, составляет от 100 до 20000 м³. Стандартный ряд типоразмеров включает резервуары объемом 100, 200, 300, 400, 700, 1000, 2000, 3000, 5000, 10000, 15000 и 20000 м³.
Разработка проектов КМ и КМД для баков-аккумуляторов представляет собой комплексный инженерный процесс, требующий глубокого понимания нормативных требований и технических особенностей эксплуатации. Проектирование осуществляется как по индивидуальным требованиям заказчика с учетом специфики конкретного объекта, так и на основе типовых проектных решений с обязательной привязкой к площадке строительства. При разработке проектной документации используются чертежи типовых проектов и отраслевые стандарты, в частности, серии ТП с 903-9-24.89 по 903-9-28.89 для баков объемом от 100 до 1000 м³, и серии ТП с 903-9-12сп86 по 903-9-14сп86 для емкостей от 2000 до 5000 м³.
Конструктивное решение баков должно соответствовать требованиям типовых проектов, разработанных ЦНИИ "Проектстальконструкция" и специализированными проектными институтами. Рабочий объем баков, их расположение на источниках тепла и в тепловых сетях должны соответствовать СНиП 2.04.07-86* "Тепловые сети". Важным аспектом проектирования является обеспечение структурной целостности конструкции - на всех вновь вводимых и эксплуатируемых баках-аккумуляторах устанавливаются наружные усиливающие конструкции для предотвращения лавинообразного разрушения.

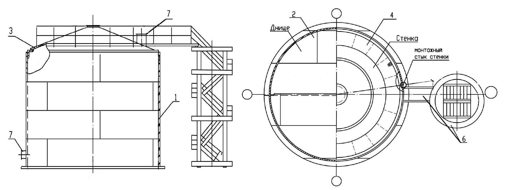
Схема технологического процесса изготовления и монтажа бака-аккумулятора горячей воды.
Конструктивные особенности баков включают три основных элемента: днище, стенку и кровлю. Форма кровли баков вместимостью до 3000 м³ включительно выполняется конической, для резервуаров большего объема - куполообразной. Стенки баков состоят из листов переменной толщины - от 5 мм для баков вместимостью 100 м³ до 16 мм для баков объемом 20000 м³. Такое решение обеспечивает оптимальное распределение механических напряжений по высоте конструкции с учетом гидростатического давления.

Зависимость толщины стенки бака-аккумулятора от объема.
Выбор материалов для изготовления баков-аккумуляторов определяется условиями эксплуатации, включая температурный режим, агрессивность рабочей среды и требования к долговечности конструкции. Для изготовления корпуса, днища и несущих конструкций покрытия резервуаров применяется качественная углеродистая и низколегированная сталь. При строительстве в районах с расчетной температурой не ниже -30°С используется сталь ВСт3пс6, в районах с расчетной температурой от -30°С до -40°С - сталь ВСт3пс5.
Наиболее распространенными марками стали для изготовления БАГВ являются Ст3сп5 и 09Г2С. Сталь марки 09Г2С обладает рядом преимуществ перед обычной углеродистой сталью: высокой прочностью с пределом текучести до 345 МПа, отличной работой при низких температурах до -40°C, хорошей свариваемостью без предварительного подогрева. Низколегированная сталь 09Г2С характеризуется низким содержанием легирующих компонентов (не более 2,5%), что обеспечивает оптимальное сочетание прочности, вязкости и технологичности.

Сравнительная характеристика марок стали для изготовления баков-аккумуляторов.
Химический состав стали 09Г2С включает: углерод до 0,12%, кремний 0,5-0,8%, марганец 1,3-1,7%, серу до 0,025%, фосфор до 0,035%. Такой состав обеспечивает высокую износостойкость металла и способность выдерживать сильные деформации в течение продолжительного срока эксплуатации. Плотность металла составляет 7850 кг/м³, что соответствует стандартным характеристикам конструкционной стали.
Изготовление баков-аккумуляторов осуществляется в заводских условиях с использованием современного технологического оборудования. Полотнища стенки и днища производятся методом рулонирования: подготовленные листы металла необходимого размера свариваются встык двусторонней сваркой, сворачиваются на стенде рулонирования на шахтную лестницу и поставляются в собранном виде на строительную площадку. На строительной площадке полотнища разворачиваются по часовой стрелке для формирования цилиндрической стенки резервуара.
Щитовые элементы крыши изготавливаются из крупногабаритных листов с образованием несущих радиальных элементов путем гибки листов по продольной кромке. Эти элементы доставляются по отдельности и затем свариваются внахлест непосредственно на монтажной площадке. Конструкции бака изготовляются на заводе с высокой степенью готовности, при этом все соединения полотнищ стенки выполняются двусторонней автоматической сваркой под слоем флюса.
Сварочные работы проводятся на автоматических сварочных аппаратах под флюсом с последующей зачисткой поверхностей и проведением тщательного контроля качества сварных швов. Технология сварки баков-аккумуляторов разработана на основании конструкторских чертежей, требований СНиП и специальных инструкций. Применение автоматической сварки под флюсом обеспечивает высокое качество и надежность сварных соединений, минимизируя риск образования дефектов.
Сварка стали 09Г2С требует соблюдения специальных технологических режимов для обеспечения качества соединений. Для сварки низколегированной стали 09Г2С применяются электроды с основным покрытием, обеспечивающие минимальное содержание водорода в сварном шве. Рекомендуемые марки электродов включают УОНИИ-13/55, УОНИ-13/45, ЦЛ-11, обеспечивающие высокое качество сварного соединения.
При сварке листов толщиной до 40 мм сварка производится без разделки кромок. Часто требуется предварительный подогрев металла до 100-120°C при толщине более 10 мм, особенно при работе в условиях низких температур. При использовании многослойной сварки применяют каскадную сварку с током силой 40-50 Ампер на 1 мм диаметра электрода для предотвращения перегрева места сварки.
После завершения сварочных работ рекомендуется термическая обработка изделия: прогрев до 650°C с выдержкой при этой температуре в течение 1 часа на каждые 25 мм толщины проката, после чего изделие охлаждается на воздухе или в горячей воде. Такая обработка повышает твердость шва и устраняет зоны внутренних напряжений в металле.
Подготовка основания для установки бака-аккумулятора является критически важным этапом, определяющим долговечность и безопасность эксплуатации сооружения. Фундамент должен обеспечивать равномерное распределение нагрузки от полностью заполненного резервуара и исключать неравномерные осадки, которые могут привести к деформации конструкции. Основание выполняется в виде железобетонной плиты с необходимой гидроизоляцией и теплоизоляцией для предотвращения промерзания.

Монтаж бака-аккумулятора осуществляется поэтапно квалифицированными специалистами в соответствии с требованиями СП 73.13330.2016. На подготовленном фундаменте производится установка днища с последующей проваркой стыкуемых частей. Затем на днище по часовой стрелке разворачивается полотнище стенки, после чего поочередно монтируются щиты крыши, которые крепятся к стенке и центральному кольцу.
Особое внимание уделяется формированию и сварке замыкающего стенку монтажного стыка, выполнению монтажа лестницы, площадок обслуживания, ограждений. После этого устанавливаются и привариваются люки, патрубки заполнения, расхода, слива, перелива, вентиляционный патрубок. Для баков вместимостью от 400 м³ обязательным элементом является установка горизонтальных бандажей и вертикальных усиливающих стоек для предотвращения лавинообразного разрушения.
Монтаж конструкций защиты выполняется на баке, не заполненном водой. Для исключения передачи эксплуатационных нагрузок на бандажи предусматриваются зазоры 10-15 мм между бандажами и стенкой бака, предназначенные для компенсации расширения при повышении температуры и давления воды. В зазоры устанавливаются деревянные прокладки для равномерной передачи давления на бандажи.
После завершения всех сварочных работ и монтажа оборудования проводятся обязательные гидравлические испытания для проверки прочности и герметичности конструкции. Бак заполняется водой на максимальный технически возможный уровень и выдерживается определенное количество времени под контролем специалистов. Испытания проводятся в соответствии с требованиями нормативных документов и технических условий проекта.
Бак-аккумулятор считается выдержавшим испытания на плотность и прочность, если по истечении 24 часов на его поверхности или по краям днища не обнаружено течи, потения, видимых деформаций или других дефектов. Контроль герметичности всех швов днища при монтаже баков производится вакуумным методом. Дополнительно выполняется контроль просвечиванием проникающими излучениями для выявления внутренних дефектов сварных соединений.
Система контроля качества включает ультразвуковой и электромагнитный контроль, позволяющий выявить поверхностные и внутренние дефекты основного металла и сварных соединений, определить фактическую толщину стенок, днища, кровли, характер коррозионного износа. Все результаты испытаний документируются в соответствующих актах и протоколах, которые являются основанием для приемки объекта в эксплуатацию.
Защита от коррозии является одним из важнейших факторов, определяющих долговечность и надежность баков-аккумуляторов горячей воды. Антикоррозионная защита внутренней и наружной поверхности баков выполняется в соответствии с "Методическими указаниями по оптимальной защите баков-аккумуляторов от коррозии и воды в них от аэрации". Комплексная система защиты включает применение различных методов и материалов в зависимости от условий эксплуатации и требований к долговечности.
Для антикоррозионной защиты баков применяются разнообразные технологии: герметики, катодная защита, металлизационное алюминиевое покрытие, эпоксидные составы, специальные краски и эмали. Типовыми проектами предусмотрена защита внутренней поверхности бака герметизирующими жидкостями АГ-4 и АГ-4И, которые при спуске и подъеме воды образуют на внутренней поверхности самовосстанавливающуюся противокоррозионную смазку.
Наружная антикоррозионная защита выполняется после проведения гидравлических испытаний путем нанесения специальных составов: красок, эмалей, цинкосодержащих композиций, эпоксидных смол. Выбор конкретного типа покрытия определяется климатическими условиями эксплуатации, агрессивностью окружающей среды и требованиями к сроку службы защитного покрытия. Качественная антикоррозионная защита способна продлить срок службы бака-аккумулятора до 20-25 лет при соблюдении регламента технического обслуживания.
Теплоизоляция баков-аккумуляторов является обязательным элементом конструкции, обеспечивающим минимизацию тепловых потерь и поддержание требуемой температуры рабочего продукта. Тепловая изоляция необходима для контроля процесса теплопереноса в случаях, когда не допускается превышение определенного уровня потерь либо поступлений тепла. Эффективная теплоизоляция позволяет снизить энергозатраты на поддержание температуры и повысить общую эффективность системы теплоснабжения.

Теплоизоляция баков выполняется минераловатными плитами общей толщиной от 50 до 200 мм, которые устанавливаются с помощью специальных креплений на стенки и крышу резервуара. Для защиты от механических повреждений и атмосферного воздействия снаружи минераловатные плиты закрываются алюминиевыми или стальными оцинкованными листами - гладкими или профилированными. В зависимости от требований проектно-технической документации могут использоваться и другие теплоизоляционные материалы или технологии.
Монтаж теплоизоляции выполняется в два основных этапа: сначала производится монтаж тепловой изоляции крыши, затем стенки резервуара. При производстве теплоизоляционных работ на высоте применяются строительные леса, при отсутствии возможности установки лесов используется техника промышленного альпинизма или автовышка. Работы по утеплению выполняются звеном монтажников, имеющих соответствующую квалификацию и допуски к высотным работам.
Альтернативным решением для теплоизоляции является применение жидкого керамического теплоизоляционного материала "КОРУНД", который может наноситься на любые участки и детали металлоконструкции. Этот материал обеспечивает температуру эксплуатации от -60°C до +260°C и обладает антикоррозионными свойствами. Выбор конкретного типа теплоизоляции определяется техническими требованиями проекта, климатическими условиями и экономическими соображениями.
Размещение баков-аккумуляторов должно соответствовать строгим нормативным требованиям, обеспечивающим безопасность эксплуатации и возможность проведения технического обслуживания. Помещения, в которых устанавливаются баки-аккумуляторы, должны вентилироваться и освещаться, а несущие конструкции помещения должны быть выполнены из несгораемых материалов. Под баками необходимо предусматривать поддоны, при этом расстояние от поддона до дна бака должно быть не менее 0,5 м.
Для предотвращения растекания воды по территории при возможных протечках всю группу баков-аккумуляторов необходимо обваловать по всему периметру высотой не менее 0,5 м. Такое решение обеспечивает локализацию аварийных ситуаций и предотвращает распространение воды на прилегающую территорию. При этом должны выполняться нормативные требования к освещенности, пожарной безопасности, монтажным и эксплуатационным условиям для прилегающих зданий и сооружений.
Каждый бак-аккумулятор должен быть оборудован переливной трубой на отметке предельно допустимого уровня заполнения, пропускная способность которой должна быть не менее пропускной способности всех труб, подводящих воду к баку. Также обязательна установка вестовой трубы, сечение которой должно обеспечивать свободное поступление воздуха и выпуск паровоздушной смеси, предотвращая создание вакуума или избыточного давления.
Установленный нормативный срок службы баков-аккумуляторов составляет 10 лет при соблюдении требований технической эксплуатации и регулярном проведении профилактических мероприятий. Фактический срок службы может значительно превышать нормативный при качественном изготовлении, правильном монтаже и систематическом техническом обслуживании. Ключевыми факторами, влияющими на долговечность, являются качество антикоррозионной защиты, эффективность теплоизоляции и соблюдение режимов эксплуатации.
Техническое обслуживание баков-аккумуляторов включает регулярный контроль состояния металлоконструкций, сварных соединений, антикоррозионного покрытия и теплоизоляции. Особое внимание уделяется контролю коррозионного износа стенок: при износе до 15% проектной толщины нижней половины стенок и до 20% - верхней половины требуется принятие специальных мер по оценке остаточного ресурса. При превышении указанных значений необходимо проведение расчета прочности и ежегодного контроля с использованием технических средств неразрушающего контроля.
Система планово-предупредительного ремонта предусматривает проведение периодических осмотров, очистки внутренней поверхности, восстановления антикоррозионного покрытения и ремонта теплоизоляции. Своевременное выполнение регламентных работ позволяет предотвратить развитие коррозионных процессов и обеспечить безопасную эксплуатацию оборудования в течение всего расчетного срока службы.
Свяжитесь с нами