t.me — Подписывайтесь на наш канал
InvestSteel
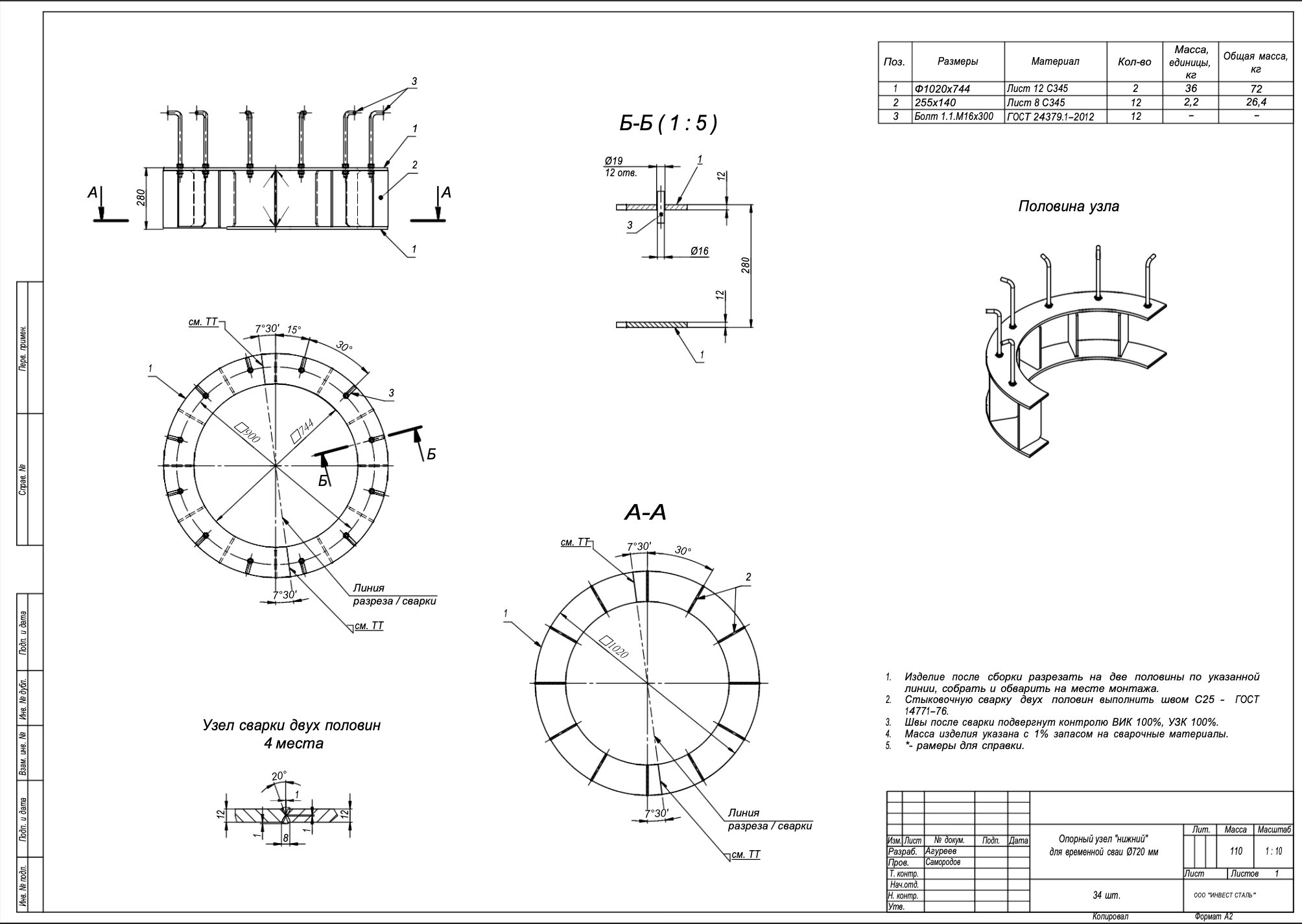
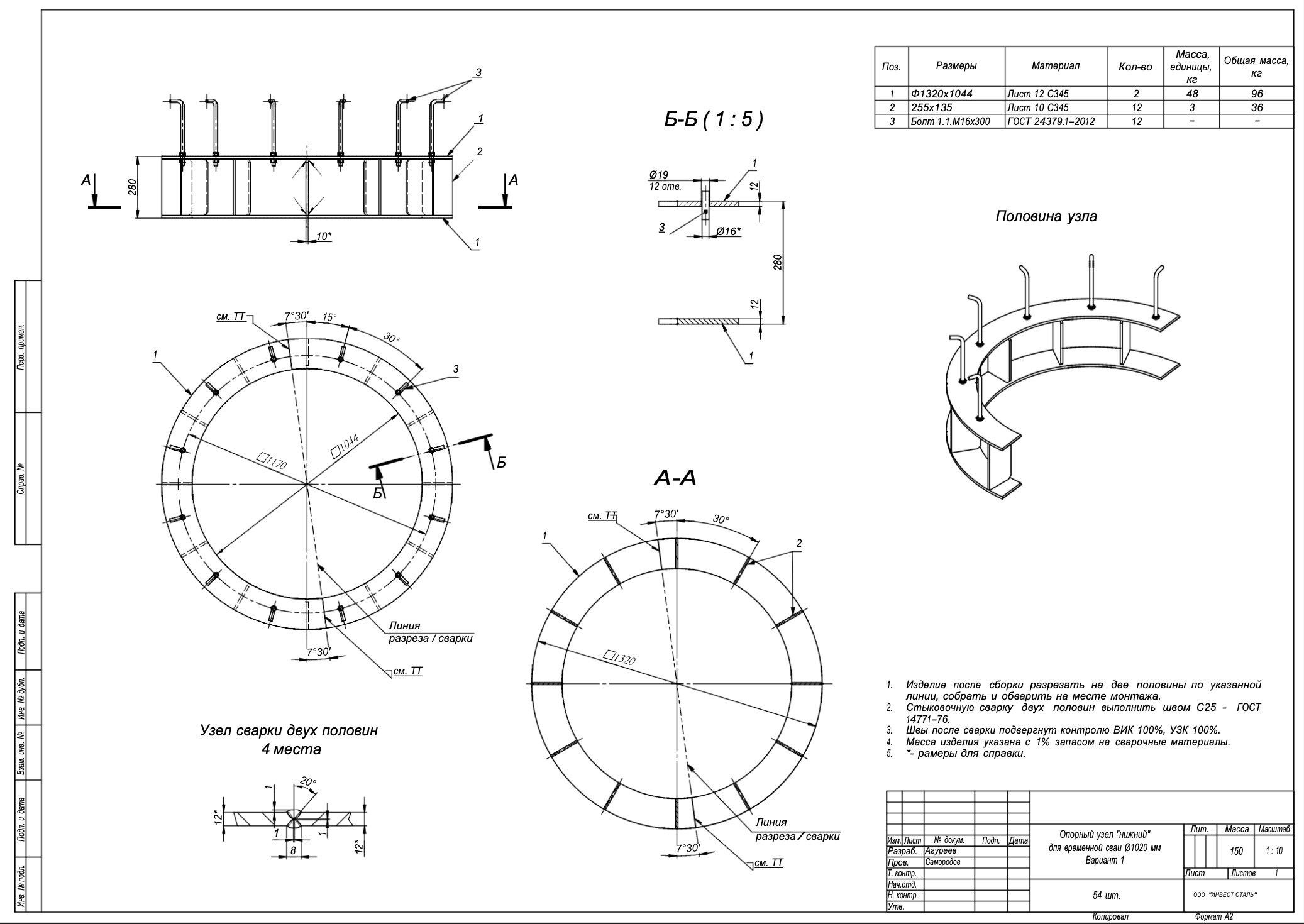
Рады сообщить, что наш новый проект успешно запущен в производство! На этот раз мы работаем над созданием нижнего опорного узла для временной сваи диаметром 720 и 1020 мм. Этот проект предназначен для строительного объекта в городе Москва, где возводится монолитное сооружение.
О проекте:
- Тип конструкции: Нижний опорный узел для временной сваи
- Диаметр свай: 720 и 1020 мм
- Местоположение: Москва
- Назначение объекта: Монолитное сооружение
Мы используем передовые технологии и высококачественные материалы для обеспечения надежности и долговечности наших конструкций. Наши специалисты тщательно контролируют каждый этап производства, чтобы гарантировать соответствие всем требованиям и стандартам.
Следите за обновлениями на нашем сайте, чтобы узнать больше о ходе выполнения этого и других проектов!


Закажите металлоконструкции у нас!
Свяжитесь с нами
Промышленный Форум
Зарегистрироваться